
DIALux evo 11
版本: 5.11.0.63631 | 发布日: 2022-10-19
安全能源
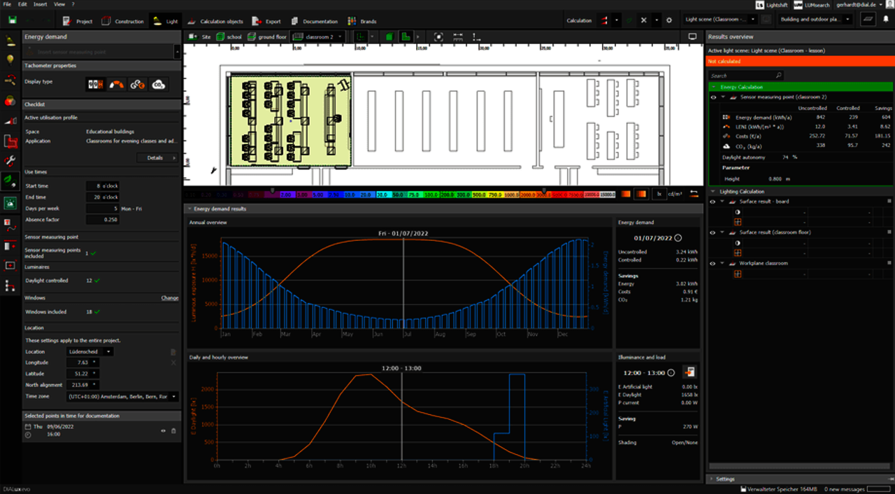
从这个版本开始,用户可以非常容易地计算出带有日光控制照明系统的能耗需求以及节能潜力。
当您放置灯具时,会显示一个能量转速计,显示当前的能源需求和估计的节能潜力。估计是在旧的 EN 18599 方法的帮助下完成的。可以在设置中禁用能量转速计。单击速度表可打开新的节能工具。 当用户放置灯具时,工作区域的右下方即会出现一个能源计量表来显示当前的能耗需求以及预估的可节能程度,此估计是透过 EN 18599 标准进行计算完成的估算。
单击计量表可开启新的计量表,同时也能在设置中禁用此功能。


在新的节能工具中显示了计算能耗所需的所有使用率配置文件信息,传感器的测量点也可以放置在这里,每个空间 / 区域只允许设置一个传感器测量点。
该工具中的清单会显示目前带日光控制的照明系统是否符合其先决条件。 (例如窗户)

在楼层视图概览中,带有传感器测量点的房间以绿色显示,没有传感器测量点的房间则以红色显示。

对于个别灯具可以指定它是日光控制、持续开启还是持续关闭等不同状态。

点击上方工具栏中的 "绿叶按钮" 即可开始进行能耗计算,该计算是基于每小时的变化,即计算一年中的 8760 小时。计算过程仅针对室内空间或区域进行,同时也会正确考虑空间的几何形状、建物方向以及位置的不同。
此计算是使用灯具的指定系统功率进行能耗需求的预估,对于带日光控制系统的灯具,软件也会假定该灯具在调光状态下的功率与光通量之间存在线性变化关系。使用时间会由该区域的应用种类决定,明确排除在控制系统之外的开关式灯具也能评估指定的使用时间。
日光控制系统使用的是一套比较简化的控制逻辑,也就是在平均水平照度达 27,500 lx 时相关灯具即会自动关闭。 2022 公历年仅为参考依据,这不是今年的模拟结果。参考年份仅用于将一周内的日期分配给计算结果,计算所使用的天空模型是 CIE 110 标准中所描述的没有阳光直射的平均天空。
年度能源需求、LENI (照明能源数字指标)、支出成本 (以欧元计价) 以及二氧化碳减排量 (公斤) 都能在计算后显示在结果监视器中。此外节能工具还能以图表的形式显示日光输入 (lx/h) 的年度历程以及人工照明的能耗需求。在年度图表中用户可藉由滑块选择单日的显示结果,第二张图表中则能显示传感器测量点的照度。

通过 "在报表中使用" 按钮可将当前选择的时间点传输到报表中,所有的时间点都能以这样的方式显示在工具中或移除。

DIALux evo 现在提供了一系列新的百叶窗系统至软件中。


日光自治:DIALux evo 现在会在计算能源需求后显示日光自治。这需要在能量评估中放置一个传感器测量点。
DIALux ID
从 DIALux evo 11 开始,用户在启动软件时需要一个用户帐户,也就是你的 DIALux ID。一切注册流程都能在 DIALux evo 软件内快速完成,当然,是免费的。
有了这个 DIALux ID,您将来还可以使用其他 DIALux 服务,例如 DIALux 社区或用户支持。
如果你已经测试或订阅了 DIALux 专业版功能,或在 my.dialux.com 注册过,则可以继续使用这些登录数据,它们已经自动转换成 DIALux ID 了。

保存自建家具
使用 DIALux evo 11,用户可以将自己创建的家具或其他物件保存在 DIALux 软件中。家具文件有自己的文件格式,虽说也可以与其他 DIALux 用户进行交换,但也意味着它们只能在 DIALux evo 11 或更新的版本中导入和保存。
家具目录的用户界面已与照明目录的用户界面结合,现在也有搜索和过滤的功能。通过右键单击或使用页脚中的操作可以将家具加载到目录中或从目录中保存。


此外,你还可以在材质介面中通过单击鼠标右键找到 “复制和排列” 工具来保存家具物件。在通过右键单击将家具保存在复制和排列中之前必须先将各个部件组合成一个整体。



标准更新
在 DIALux evo 11 中,我们添加了最新版 EN 12464-1:2021-11 的更新。用户仍然可以在 2011 年的旧版和 2021 年的新版之间进行选择,两种版本均能正常运行在软件中。
配置文件数据库
原应用场所配置文件的标准数据库已根据新规范第 7 节中的内容进行扩展,每个项目均增加 4 个限值,同时还能显示缺少的参考编号。
配置文件选择
在一般空间 (区域) 中依旧能像过去一样选择配置文件,相关规范的设置主题现在变得更清晰、更形象化了。现在所有内容均按主题分组,且内含的配置文件会按其参考编号进行排序,大大简化挑选步骤。此外,还能在配置文件中进行上下限的数值,其结果能呈现在结果概览中。
计算区域
如果你使用的是可视任务区域、空间主表面和活动区域,则它们的参考值将基于选定的配置文件,包括上下限数值的效果。
眩光等级
空间 (区域) 的眩光是根据 CIE 117 标准中显示的表格程序计算,并与最大允许眩光 R(ugl) 进行比较。
报表
在空间摘要中已添加根据 CIE 117 的眩光指示和在配置文件中选择的上下限值,计算空间的大小也能再次被记录下来,而且根据空间的形状,这可能比原本的空间还大。
意大利在道路设计方面遵循 EN 13201,但与第 5 部分中的能效指标相比还有两个额外的评级需要计算,也就是 IPEA* 和 IPEI*。现在用户可以通过复选选项简单地添加这些,当然这些数值也都能成为报表的一部分。
现在用户还能直接在 DIALux evo 软件内部鼓励非会员的厂家注册成为 DIALux 会员。妳可以发送类似以下内容给该品牌:您好,我经常在 DIALux 中使用您的灯具进行规划,但由于您目前并非 DIALux 会员,使得所有使用贵司产品的用户都存在着一定的劣势。请考虑成为 DIALux 会员,这样我可以更有效地设计方案并让我的客户了解您产品的优势。
一旦使用非 DIALux 会员提供的灯具,在灯具列表中即会是这样的呈现方式:


此外,新的报表也开始支持这种可能性,DIALux 能显示项目中是否使用 / 放置非会员灯具。
系统更新要求
- DIALux evo 11.0 现已支持 Windows 11
- DIALux evo 11.0 现在只能在 64 位元系统上运行
改进已知功能
程序和预设设置的 UI 已完全修改,用户可以在此处调整程序以及物件的设置。如果在项目中创建新对象,它们将根据其默认设置运行。
图纸预设集
- 自行选择 DIALux 标准或自定义值
- 默认高度
- 默认边缘区域
- 选择是否评估整体均匀度

报表和图表的预设值
- 空间名称的默认颜色和字体大小
- 文字物件的默认颜色和字体大小
- 点照度图的默认颜色和字体大小
- 等值线的默认颜色和字体大小

空间反射率的默认设置
- 天花板的默认反射率
- 墙壁的默认反射率
- 地板的默认反射率
全热键概览
- 可用热键列表 (仅概述,无法自定义!)

用户可以自定义在 CAD 中显示配光曲线的方式,选项有:“全部显示” 或 “仅显示当前选择的灯具”。

可以设置实时可视化中的灯具数量,用户可根据计算机的性能同时选择 1 到 50 盏灯具进行照明效果可视化。

空间中重要的信息在空间摘要中能显示得更详细,工作面的高度以及边缘区域(如果在该区域有的话) 都能被显示出来,我们甚至将这类的信息添加至 PowerPoint 布局中。 (须购买 DIALux 专业版功能)

在上个版本的报表中消失的调光值和控制组又回来了,DIALux evo 未来将以图形方式呈现这个主题。每个控制组都有一个分类,其中标记了所有相关的灯具,用户便可以轻松查看控制 / 调光的灯具。
附有调光值的表格能对此进行补充,该表显示了每个控制组的调光状态,具体取决于灯光场景。灯具列表完善了输出结果并新增识别计划中的灯具类型。现在软件也支持表格作为单独输出的项目。
可以为单个空间、整个楼层和室外区域创建此类报表。


控制 "开始计算" 的方式已更新,现在用户能从右侧箭头的下拉选单选择计算全灯光场景或仅计算现用灯光场景,常用的 "继续计算" 功能也在此选单内。
能源计算的启动以及计算设置有独立的按钮可控制,下拉选单中也能选择放弃计算结果。
Bug 修复
- 修复室外空间 UGR 表面计算错误
- 灯具组更新问题
- 插入应急灯具时出现不必要的错误信息
- 导入 IFC 文件时出错
- 删除无效地板轮廓时出错
- 更改反射率时出错
- 导入 3DS 文件时出错
- 物件组合后分配材质时出错
- 修复家具材质丢失的问题
- 添加了关于应急灯功率过低的的说明
- 绘制多个空间时创建地板表面出错
- 日光等值线显示错误
- 更换旋转灯具时出错
- 移除多次插入和删除空白灯具组时的提示
- 关闭项目时出现不必要的错误消息已被移除
- 改进置入计算物件时的性能
- 改进显示场景的性能





